0516-89612995
请扫一扫查看手机页面
请扫一扫关注微信公众号
JP系列绞盘式喷灌机是一种将牵引PE管缠绕在绞盘上,利用喷灌压力水驱动水涡轮旋转,经变速装置驱动绞盘旋转,并牵引喷头车自动移动和喷洒的灌…
水泵专用控制配电柜
QJ系列井用潜水电泵
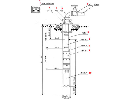
潜水电泵的构造QJ型潜水电泵主要由QJ型潜水泵和YQS型潜水电机两部分组成。QJ型潜水电泵的泵体位于电动机上端,叶轮为离心式,轴承…
今天喷灌机厂家为大家介绍下喷灌泵的用途及使用要求,一起来了解下吧。 1.喷灌泵-用途: 该泵应用于农业上,它属于机压式喷灌…
1、水泵电机自动控制柜用途广泛。对于各种场合,如生活给水、消防喷淋增压、空调冷却循环泵、工业控制用泵、污水排污泵等都有相应…
地址:江苏省徐州市沛县汉润路东侧一号路北侧
电话:0516-89612995
电话:13952245963
QQ:474176689
邮箱:474176689@qq.com
QQ咨询
咨询热线
在线留言